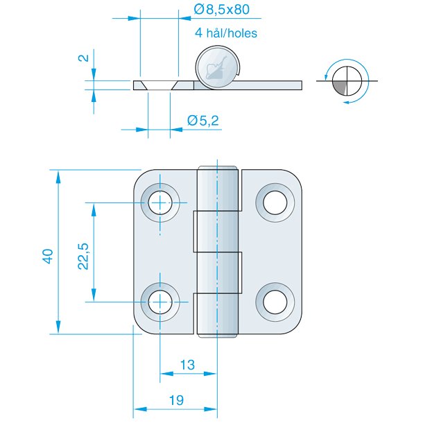
Roca hængsel 38x40mm RF 316


66,00 DKK

Product picture

Beskrivelse


Hængsel af rustfrit og syrefast stål AISI 316